船舶制冷与空调仿真系统软件设计毕业论文
2020-02-19 07:57:20
摘 要
船舶技术的发展,满足了人们更高的生活水平要求,船舶上的制冷和空调设备用于满足人们最基本的生活条件,变得愈发不可或缺。它给人们创造了良好的工作环境和生活卫生条件。船舶技术主要依据制冷和空调系统的理想数学模型设计控制方法来实现的控制要求,为了让人们在船舶上的生活情况更加美好,很有必要对于船舶制冷与空调系统进行模块化机理建模仿真研究。
论文的仿真研究对象是某种先进的万箱集装箱船舶,研究船舶的制冷与空调系统,分析了系统的运行过程,介绍了船舶制冷与空调系统的组成部分。应用了热力学、传热学等相关理论,建模时采用模块化的方法,建立系统中压缩机、冷凝器、膨胀阀和蒸发器这四个主要系统部件的数学模型。对系统的主要控制部件电子膨胀阀进行出口过热度的温度控制仿真,对舱室温度采取双位调节控制进行仿真研究。
在数学模型建立后,利用编程软件Visual Studio设计开发船舶制冷与空调模拟仿真系统。仿真系统能够实时地显示制冷系统和空调系统部件的运行状况,并且能通过人机交互对系统的被控参数进行控制调节。仿真系统能够人为操作控制,模拟系统中手动运行的情况。
关键词:船舶制冷与空调系统;仿真;模块化建模
Abstract
The development of ship technology has met people's higher living standards, and the refrigeration and air conditioning equipment on ships has become increasingly indispensable to meet people's basic living conditions. It creates a good working environment and living conditions for people. Ship technology mainly according to the ideal mathematical model design control method of refrigeration and air conditioning system to achieve the control requirements, in order to let people live better on the ship, it is necessary to carry out modular mechanism modeling and simulation research on ship refrigeration and air conditioning system.
The simulation research object of this paper is a kind of advanced ten thousand container ship. It studies the refrigeration and air conditioning system of the ship, analyzes the operation process of the system, and introduces the components of the refrigeration and air conditioning system of the ship. The mathematical models of the four main system components, namely compressor, condenser, expansion valve and evaporator, are established by using the theory of thermodynamics and heat transfer. The temperature control simulation of the electronic expansion valve, the main control part of the system, is carried out.
After the mathematical model is established, the ship refrigeration and air conditioning simulation system is designed and developed by Visual Studio. The simulation system can display the running condition of refrigeration system and air-conditioning system components in real time, and can control and adjust the controlled parameters of the system through human-computer interaction. The simulation system can be manually operated and controlled to simulate the manual operation of the system.
Key words: ship refrigeration and air conditioning system; The simulation; Modular modeling
目录
摘要 I
第1章 绪论 1
1.1选题背景及意义 1
1.2国内外现状 1
1.3 论文研究内容 2
第2章 船舶制冷与空调系统概述 4
2.1系统概述 4
2.1.1制冷与空调系统的原理 4
2.1.2制冷循环理论 5
2.2船舶使用的制冷剂 7
2.3船舶制冷系统与空调系统控制量 8
2.3.1制冷系统的控制量 8
2.3.2空调系统的控制量 9
第3章 船舶制冷与空调系统的建模仿真 11
3.1系统的研究对象和建模方法 11
3.1.1系统的特点 11
3.1.2系统建模方法 11
3.2制冷与空调系统的建模 11
3.2.1压缩机的建模 11
3.2.2冷凝器的建模 13
3.2.3节流阀的建模 15
3.2.4蒸发器的建模 16
3.3舱室冷库的建模 17
3.4电子膨胀阀的建模与仿真控制 21
3.5空调系统的空调器 23
第4章 船舶制冷与空调系统仿真软件设计 24
4.1软件控制流程设计 24
4.2制冷系统的界面设计 26
4.3空调系统的界面设计 29
第5章 总结与展望 32
5.1总结 32
5.2展望 32
参考文献 33
致谢 34
第1章 绪论
1.1选题背景及意义
船舶制冷系统在任何船舶上都是一个很重要的部分。在船上食物和饮品、货物甚至是垃圾都总是需要保持在最理想的状态。保存良好的食物和饮品对于乘客和船员的健康至关重要。 甚至是货船也需要配备高质量的制冷和空调系统,因为货船的主要任务就是保证运输中货物的质量,所以船舶的制冷系统是船舶中尤为重要的部分,关系到货船能否达到出厂要求。而且现代船舶系统部件间的配合越来越自动化,船舶伙食冷库作为船员的生活条件保障,愈发地得到人们的重视。船舶上的冷库运用的制冷系统大都是一台制冷用的压缩机同时服务于几个冷库,而且各库之间的库内温度均不相同,由于冷库之间相差着比较大温度,所以冷库所要设置的制冷剂蒸发温度也大不相同,因此,在冷库方面的制冷系统,要分别设置对应的蒸发压力以及蒸发温度。
现如今在高速发展的船舶制冷和空调技术背景下,船员要求的服务质量也随之提升,这也促使船舶上对传统设计方案进行改进和革新。因为有船舶上不同类型的冷藏库,它们的蒸发温度各不相同,因此冷凝单元经常会多达四五个, 虽然在温度控制上只需增加制冷剂的蒸发压力和流量,调节器对管道的控制呆板,由此需要智能计算机辅助控制。在给冷库设置控制温度后,要想温度在与设定的值相差不是很大的上下波动,就要求系统的设备在设定好的运行情况下运行,在可控元件写入代码, 赋予设备有自我反馈调节的功能,使这些设备在运行时结果在一定范围内,消除干扰同时也保持系统的稳定。那么对船舶制冷与空调系统的控制就进一步满足既定的条件, 并在实践过程中发挥着重要的价值和意义。 但是现代不断发展的船舶技术使得船舶服务系统能实现的功能越来越多,人们的生活也愈发舒适。这些进步都有赖于系统的数学模型能否正确的描述系统运行特性,因此对其运行过程分析很有必要。
船舶对此系统的仿真中,轮机模拟器算是很成功的成果。船员用轮机模拟器培训能弥补传统培训方式的不足,更加安全、高效和经济[1]。对学员来说,它有很多的优点:便宜方便、快速高效、安全、故障排除演练、与国际接轨[2-3]。
1.2国内外现状
上个世纪九十年代左右,我国各远洋公司都采用氟利昂为制冷剂的压缩式制冷系统,机组在冷藏集装箱的端内,属于隐藏方式。二十世纪七十年代末,为了便于研究,大连海运学院从Norcontrol公司引进轮机模拟器。到二十世纪九十年代,大连海事大学开始召集相关人员对轮机模拟器进行研发[12]。现如今,青岛远洋船员学院自2002年开始研制的COSCOQMC-I型轮机模拟器已投入使用。清华大学等高校对系统技术通过了理论和实验研究的方法展开探讨并且实现建模和仿真,成就显著[4]。当前我国还研究出采用模糊控制的制冷系统,其采用的是组合式的变频空调箱,空气在经过各种处理会后送到模拟舱室中,舱室内从顶部送风而从侧面回风,这样能保证模拟舱室空气温度均匀。经试验测试,舱室各空间温度相差最大的不超过3℃。空调箱的变频风机运用反馈调节控制,温度和二氧化碳含量都是其控制量,通过控制风机的转速来控制送风量。这种控制方式使模拟提供的新风量和需要的实际新风量相差不多,不仅提能高舱室内的空气质量,而且能还降低舱室内的冷、热量消耗,也节约能源。
在外国,二十世纪九十年代上世纪六十年代国外开始利用计算机对船舶制冷与空调系统仿真研究[5-6]。到七十年代就出现成熟产品,其中早期公认的比较具有代表性的仿真研究成果是Chi、Soedelt、Didion和Dhar [7-8]。随着计算机水平的提高,国际上的学者开始通过建立复杂的微分方程,应用计算机编程技术开展制冷空调的计算机模拟和预测工作。仿真系统得以高速进步,德国的西门子、英国的船商公司、波兰的Golynnia学院、日本的三菱公司等都致力于对轮机仿真模拟器进行研究和制造[14],其中挪威的挪控公司的产品处于世界领先地位,RTA-III型轮机模拟器仿真逼真度高,运行速度快,就是人机界面不太友好 [13]。现如今,对制冷系统的设备上研究已经达到瓶颈,研究得非常充分完善了,国外开始在制冷剂方面做研究,研究不同的制冷剂在不同温度下的制冷效果,寻找最省能源的制冷方法[15]。
1.3 论文研究内容
以某先进的万箱集装箱船舶为论文研究对象,对系统过程机理分析,并且借鉴陆地空调和制冷系统中的数学模型和相关仿真的理论研究成果,使用模块化的建模方法,对参数处理采用分布与集中相结合的方式,建立适合于船舶制冷与空调系统的模块化数学模型,并且使用MATLAB仿真工具,对己经建立好的系统数学模型进行仿真,并对结果进行分析,判断模型是否正确。最后利用编程工具对仿真系统软件设计开发。要求软件的人机界面友好且能模拟实际系统的各种控制。论文研究主要有以下几个内容:
(1)建立船舶制冷与空调系统的数学模型
建立系统数学模型时主要考虑参数的状态问题。对制冷剂存在状态变化过程参数分散的冷凝器和蒸发器采用分布参数的方法建立数学模型。对制冷剂不存在状态变化过程参数统一的压缩机和膨胀阀采用集中参数的方法进行建模。不用考虑制冷剂多余的情况,可以做统一处理。
(2)建立舱室冷热负荷的数学模型
船舶制冷系统主要控制伙食冷库,对于不同的伙食存储冷库有各自不同的负载情况,所以,有着不同的温度控制要求。空调系统要能在四季中都能为人们提供舒适的服务,因此舱室的冷热负荷多变,要想建立正确可靠的船舱室的冷热负荷数学模型,则要依据热力学的第一定律。
(3)采用合适的算法对系统进行控制
系统要会根据冷热负荷的变化反馈调节冷热负荷。系统中拥有很多的控制元件,这些元件各自控制一个变量,通过变量间的内在联系相互作用,才得以实现系统自动控制,而对于系统的总体控制器采用合适的控制算法才能协调各个控制元件间的配合,系统才得以正常运行,实现高度的自动控制。
(4)船舶制冷与空调系统的计算机仿真
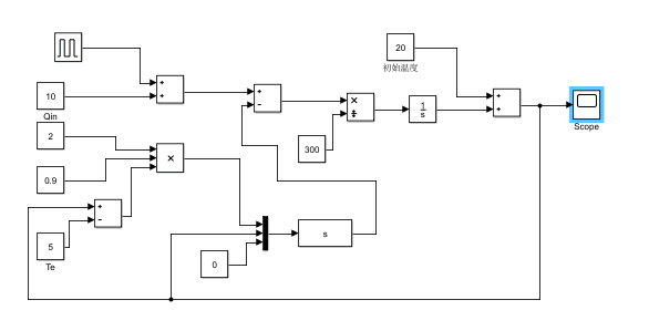
系统的主要控制量是舱室的温度和蒸发器中制冷剂的过热度,在建立系统数学模型后,通过对系统加入控制元件对控制量进行控制,并建立控制框图对其仿真,得到仿真曲线结果,将仿真结果与实际数据做比较,验证先前所建立的数学模型是否准确。
(5)实时仿真系统软件的设计
结合所有建立出的系统数学模型,利用编程软件,进行软件的仿真软件的设计和开发,软件应能简单模拟船舶制冷与空调系统的基本操作过程和运行过程,实现比较真实地模拟系统的功能。
第2章 船舶制冷与空调系统概述
2.1系统概述
船舶上的制冷系统和空调系统两个相对独立,但是在组成部分上这两个系统又大体相似,两者的功能也类似,但两者的控制目标和舱室冷热负荷又有所不同。空调系统在全体的设备上,与制冷系统的大体一样,只是比制冷系统多一个用于处理空气质量的空调器。对于两个系统都有的设备,论文都将它们看作一样,进行处理。对于空调系统的空调器单独说明。
船舶的制冷系统主要服务对象是伙食冷库[9],这些冷库一般要求有很少的渗入的热量,因此安置在远离锅炉舱和机舱的地方。船舶上对伙食采用分库储藏的方式,因为不同种类的伙食最佳冷藏温度也不同,而且带腥味的伙食因为腥味会沾染其他的伙食而不能和其他伙食一起放在同一个冷库里存储。
不同于制冷系统,船舶上的空调系统是为了船员有舒适的工作条件和生活卫生环境[10]。对于温度和湿度等条件要求很宽泛,只需要给人一种舒适的生活状态,而且不同的人对空调系统的要求也不一样,所以空调系统允许空气条件有所变动,是一个相对灵活的控制系统。
2.1.1制冷与空调系统的原理
想要达到制冷的效果,有很多种方法,在这些都是实现了热量的转移,蒸发式制冷实现得最为便捷和稳定,因此应用最广。其的制冷原理是利用制冷剂下在换热器内汽化时吸收周围空间的热量转移到另一个换热器释放热量,从而达到制冷的目的,蒸发式制冷又有下列几种:吸收式、固体吸附式、蒸汽压缩式和蒸汽喷射式。
蒸发式制冷的蒸汽压缩式在现如今空调领域中应用最为广泛,它的制冷原理如图2.1所示。

图2.1制冷与空调系统原理图
压缩式制冷主要装置设备有压缩机、冷凝器、节流装置和蒸发器。压缩式制冷方式选择的制冷剂沸点通常比较低,在被压缩机压缩成高压的气态后,经过冷凝器降温降压处理变成压力比较高的液态,又经过膨胀阀的节流降压后流进蒸发器中,由于其蒸发压力相对较低,制冷剂在液态下自然地汽化蒸发,吸收热量,使周围空气的温度降低,从而实现制冷的目的。运用压缩机对制冷剂吸气压缩,保证制冷剂循环流动和制冷,在压缩过程中,是制冷剂的蒸汽从低压变为高压方便后续的处理。运用冷凝器对制冷剂过渡降温降压,经过过热,冷凝,过冷处理,将制冷剂转化为高压的液态,运用膨胀阀节流元件节流,对制冷剂进行降压,从而使流入蒸发器的制冷剂能在在蒸发压力下自然蒸发。这样就实现连续制冷的循环。
2.1.2制冷循环理论
为了研究压缩式制冷装置的工作原理,分析其工作过程,使用压焓图来描述制冷循环,为了使系统更便于研究,首先要忽略系统得复杂情况。假设如下:
(1)压缩机在运行过程中没有流动阻力,制冷剂在压缩机里被压缩成高压时也没有与周围空气换热,压缩过程中没有热量损失,即压缩过程中制冷剂是等熵的,不与外界交换能量。
(2)装置工作时,制冷剂移动没有阻力,热量没有损耗,没有经过压缩、降压处理时认为制冷剂的压力相等,所以可以把蒸发器里的压力等于压缩机吸气时的压力,初入冷凝器的压力等于压缩机排气时的压力。没有处理过程时,制冷剂压力、冷凝温度和蒸发温保持不变。
(3)在制冷和空调系统中只有冷凝器和蒸发器对外界吸热或是放热,在其余的装置中不与系统的外界接触。
(4)制冷剂在膨胀阀装置中只会降低压力,不会再有其他的变化,焓值从始至终都不会变化。
在采用以上理想条件的假设下,利用压焓图清晰地表示出单级蒸汽压缩式制冷的循环。如图2.2所示。

图2.2压缩式制冷的压焓图
图中P0是蒸发压力,t0蒸发温度,Pk是冷凝压力,tk是冷凝温度。而图中点1表示的是制冷剂蒸汽从蒸发器出口进入压缩机入口时的状态,该点是制冷剂在被冷却空间中吸热后变为一般状态的原始状态,在这个状态下,制冷剂的压力为蒸发压力,温度为蒸发温度,因此该点可以由蒸发压力的等压线与吸气温度的等温线交点而确定的。图中点2表示的是制冷剂过热后被压缩机压缩成高压蒸汽后排出,还没有进入冷凝器时的状态。做冷凝压力的等压线,与压缩机的温度压力曲线的交点就是点2。图中点3表示制冷剂自冷凝器排出,进入膨胀阀前的状态。图中点4表示制冷剂在膨胀阀出口的状态。这时制冷剂达到系统的要求。
线段1-2表示制冷剂在压缩机做绝热压缩处理,压缩机对制冷剂做功,蒸汽压力从吸气压力P0上升到排气压力Pk,温度也有所升高,根据假设,此时压力为冷凝压力。线段2-3表示制冷剂在冷凝器中进行冷却、冷凝和过冷处理。高压蒸汽在等压下冷却成饱和蒸汽,饱和蒸汽继续放热转化为液态,液态再次放热,温度再次降低,当温度降到要求时,进行过冷处理。线段3-4表示制冷剂在膨胀阀中的节流处理,压力从Pk降到P0,温度从tk降到t0,制冷剂相当于进入到冷凝器模型的两相区,制冷剂在节流前后焓值不变。线段4-1表示制冷剂在蒸发器中汽化吸热过程,理论上是等压进行的,制冷剂湿蒸汽吸收周围的热量汽化,变成过热蒸汽。状态变成点1的状态。由此,过程1-2-3-4-1为制冷循环。
2.2船舶使用的制冷剂
以上是毕业论文大纲或资料介绍,该课题完整毕业论文、开题报告、任务书、程序设计、图纸设计等资料请添加微信获取,微信号:bysjorg。
相关图片展示:









