直流电机恒电流调速系统设计毕业论文
2020-02-17 19:47:05
摘 要
直流电动机在工作的过程中,当带有很大的负载时,就会产生很大的热。当电动机线圈的温度太高时,会使电动机产生故障,电动机中的风机就是给电动机降温的。一般直流电动机提供给风机的电压会在一定的范围内波动,这会造成风机的转速也会在一定的范围内波动。本文针对这种现象进行了研究。
论文主要研究了直流电动机在宽电压范围内进行调速的方法;研究了直流电动机的启动过程;研究了直流电动机转速的测量方法。
在研究过程中,采用了脉冲宽度调制技术来作为调节直流电动机风机两端电压的方法,这是一种应用比较广泛的电机调速技术。直流电动机的启动是采用了IGBT元器件来构成驱动电路,并对驱动电路的保护进行了研究计算。在设计中,采用了霍尔转速传感器来测量直流电动机风机的转速。
研究结果表明脉冲宽度调制技术能够有效地调节直流电动机风机两端的电压,使其能在宽电压范围内保持一定的转速,这对直流电动机起到了很好的保护作用,延长了电机的寿命。
关键词:直流电动机;PWM调速;IGBT;恒流
Abstract
In the working process of DC motor, when there is a lot of load, it will produce a lot of heat. When the temperature of the motor coil is too high, the motor will fail, and the fan in the motor will cool the motor. In general, the voltage provided by DC motor to fan will fluctuate in a certain range, which will cause the speed of fan to fluctuate in a certain range. In this paper, this phenomenon is studied.
In this paper, the method of DC motor speed regulation in a wide voltage range is studied, the starting process of DC motor is studied, and the measurement method of DC motor speed is studied.
In the process of research, pulse width modulation technology is used as a method to adjust the voltage at both ends of DC motor fan, which is a widely used motor speed regulation technology. IGBT components are used to start the DC motor to form the driving circuit, and the protection of the driving circuit is studied and calculated. In the design, Hall speed sensor is used to measure the speed of DC motor fan.
The results show that the pulse width modulation technology can effectively adjust the voltage at both ends of the DC motor fan, so that it can maintain a certain speed in a wide voltage range, which has a good protective effect on the DC motor. The life of the motor is prolonged.
Key words: DC motor; PWM speed regulation; IGBT; constant current
目录
第1章 绪论.........................................................1
1.1 直流电动机恒流调速总体方案..................................1
1.2目的意义....................................................2
1.3国内外现状..................................................2
第2章 直流电动机的特性............................................4
2.1直流电动机机械特性..........................................4
2.2直流电动机的拖动模型及其仿真................................5
2.2.1直流电动机的拖动模型..................................5
2.2.2直流电动机的拖动仿真..................................7
第3章 系统总电路设计..............................................9
3.1主电路方案..................................................9
第4章 控制电路的设计..............................................10
4.1控制电路的选择.............................................10
4.2 PWM发生器..................................................11
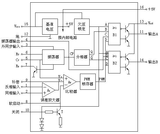
4.3 SG3525集成PWM控制器.......................................13
4.4 SG3525内部各部分的功能.....................................15
4.5 SG3525的工作原理...........................................16
4.6 SG3525闭环控制原理.........................................17
4.7 SG3525在系统中的应用.......................................18
第5章 直流电机驱动电路的设计......................................20
5.1 IGBT元件简介...............................................20
5.2 直流电机IGBT驱动电路的条件................................20
5.3 直流电机IGBT驱动电路的设计................................21
5.4 直流电机IGBT驱动电路保护电路的设计........................22
5.4.1 IGBT的过压保护.......................................22
5.4.2 电容C的计算.........................................22
5.4.3 电阻R的计算.........................................23
第6章 直流电机测速电路的设计......................................24
6.1霍尔式转速传感器工作原理...................................24
6.2总体系统设计...............................................25
6.3系统电路设计...............................................26
6.4系统软件设计...............................................26
结论...............................................................28
致谢...............................................................29
参考文献...........................................................30
第1章 绪论
1.1 直流电动机恒流调速总体方案
机车在维修后需要做性能测试试验。因为电动机的输出功率有几千kw之高,需要对电阻丝进行散热,防止烧坏电阻丝。可以采用内燃机车发电机输出的直流电流来驱动直流风机,去给电阻丝散热。然而,直流电动机的工作电压会产生较大的波动,是以必要对直流风机电机举行恒流调速节制,以避免损坏机电。
对于降压斩波电路,我们可使用电力电子开关来管束电路的通断即改动占空比,从而得到想要的电路电压。这就能够依据所学的buck降压电路作为主电路,这个方案是较为简单的方案。之所以选用全控型的IGBT管,而不选用半控型的晶闸管,是由于IGBT管制较为简略,并且它既有输入阻抗高、开关速度快、驱动电路简略等特色,又有通压降较小、耐压性能高、电流较大等特色。
控制电路中采纳SG3525集成PWM控制器来生成PWM信号,控制电路中采用闭环设计。
检测电路采用霍尔式转速传感器来进行测量电路的转速值。
PWM控制系统
单片机
测速系统
M
IGBT驱动系统
图1.1系统结构图
1.2目的意义
在现在这个社会,电动机是一种把电能转换为动能的机械设备,在我们的日常生活和工作学习中可以经常看到它的身影。在生活中的各种电器如电脑,电风扇,汽车,货车,轮船,飞机,还有工厂中的各种加工设备,如各种加工机床,数控机床等,里面都有电动机。
随着时代的发展,目前市场上流行的有直流电动机和交流电动机。直流电动机又分为多类,像他励直流电动机,并励直流电动机,串励直流电动机和复励直流电动机等。交流电动机也有很多分类。随着技术水平的提高,生产中对电动机有了更多的要求,比如电机的稳定性能,电能的高效利用,还有新型材料的发现与发明,也会要求电动机向更高技术水平发展。
由于在生产活动中,产品的要求越来越精密,直流电动机的一些问题也随之暴露出来。比如,电动机在运行较长时间后,它的一些参数会发生变化,会导致生产产品不符合要求,还有可能对生产线造成重大影响,造成生产线瘫痪。如果不及时采取措施,纠正错误,就会导致机器发生故障,严重时可能是机器报废,危害人们的生命安全。
在机器运行中,常会发生输入电压产生波动,从而导致直流电动机的转速发生波动,这对生产活动是有危害的。因此,电动机需要在恒定电压下运行。目前,人们已经把直流电动机恒流调速提上研究日程。
目前已知的普遍的调速方法有改变电动机电枢电路电阻,改变电动机电枢供电电压,改变电动机主磁通等。生产中普遍应用的是PWM控制技术。
1.3国内外现状
PWM又称脉冲宽度调制,是一种应用微处理器的技术。它通过对一系列脉冲波形进行调制,使其产生等效的机器所需要的电波波形,来使机器正常工作。PWM技术中有一种很重要的基础理论,那就是冲量等效原理:冲量相等而形状不一样的脉冲加在具有惯性环节的机器上时,具有相同的效果。冲量指的是脉冲的面积,效果基本相同指的是环节的输出响应波形基本一致,也称为面积等效原理。
多脉冲脉宽调制又分为单极性PWM控制和双极性PWM控制两种控制方式。
直流斩波电路是PWM控制技术中最为简单的一种应用。这种电路是通过把直流电压转变成一系列脉冲,进而改变直流电压的占空比,使我们能够获得所需要的电压波形。脉冲宽度调制就是对电压脉冲的占空比进行调整。最常用的一种电器元件就是斩波器,当直流电源的不规则电压脉冲加到斩波器的负载上时,斩波器通过自关断器件和晶闸管来控制电机开关的工作频率或者流经的直流电电流的通断时间比,来进一步改变加于负载上的电压数值和电流数值。这种电路被称为直流斩波电路。
在各种各样的直流电动机和交流电动机中,都采用了各种各样的斩波控制技术。随着技术水平的发展,各种各样的PWM控制技术也出现在人们的面前。例如,谐振软开关PWM,等脉宽PWM,SPWM法,等面积法,马鞍形波与三角波比较法,硬件调制法,自然采样法,规则采样法,低次谐波消去法,梯形波与三角波比较法,线电压控制PWM,软件生成法,单元脉宽调制法,电流控制PWM,滞环比较法,三角波比较法,预测电流控制法,空间电压矢量控制PWM,矢量控制PWM,直接转矩控制PWM,非线性控制PWM,随机PWM等。
随着时代的发展,和多种PWM技术研究成果的发表,使得PWM技术在多个领域得到充分应用。例如,生产领域,通信领域,交通领域,技术领域等领域。PWM技术具有操控简单,应用灵活,动态响应好等优点,并且,随着技术交流越来越广泛,各个学科之间的界限已经逐渐被打破,结合新时代思维,应用各个领域的知识,PWM技术具有更为广阔的发展前景。
第2章 直流电动机的特性
2.1直流电动机机械特性
直流电动机是一种将直流电能转化成电能的机器。直流电动机的内部结构是有由不动的定子和转动的转子组成。空气隙介于定子和转子之间。定子是由主磁极,机座,轴承,端盖和换向极这些部件构成,它具有产生主磁场的作用,还起到支撑电机的作用。转子是由风扇,换向器,电枢铁芯,电枢绕组和轴组成,转子具有产生感应电动势的作用,电动机的运动也是依靠转子。转子就相当于一种能量转换器。当电动机通电后,带电的电枢绕组按照电磁力定律在磁场中收到电磁力的作用而旋转,进而带动电动机工作。在电动机工作的情况下需要解决电流换向的问题,这就需要换向极。换向极能够保证电流始终按一个方向流动。工作原理图如图2.1所示。

图2.1直流电机工作原理图
研究直流电动机不可避免的要弄清楚它的机械特性。直流电动机的机械特性是指它的转速随转矩的变化而变化的特性,又分为固有机械特性和人为机械特性。
直流电动机风扇的负载特性近似的表示为
(2.1)
式中 k---系数
n---转速
假设直流电机的负载转矩等于电磁转矩,于是有
(2.2)
实际中采用的是串励直流电动机,它的机械特性为
(2.3)
由式(2.1)和式(2.3)可得到电压与电流的关系为
以上是毕业论文大纲或资料介绍,该课题完整毕业论文、开题报告、任务书、程序设计、图纸设计等资料请添加微信获取,微信号:bysjorg。
相关图片展示:









