住宅小区恒压供水控制系统设计毕业论文
2020-02-18 11:57:06
摘 要
住宅小区高层供水问题是现代建筑行业必须要考虑的问题。传统供水主要有气压罐供水、高位水塔供水以及恒速泵加压供水等方式,但在实际供水过程中,以上供水方式通常会存在供水不稳定、自动化程度低、供水设备损耗严重和效率低下等缺点。为了满足人们对供水情况更高的要求,保证不同用水条件下供水水量的充足和水压的稳定,社会开始越来越重视对恒压供水控制系统的设计研究。而变频调速技术的出现以及PLC系统的广泛应用,为恒压供水系统提供更有力的帮助。
本文针对住宅小区实际用水问题,设计了一套以PLC为主控器,变频器为执行机构的稳定可靠的恒压供水系统。根据专业所学,对整个恒压供水控制系统的软件和硬件进行分析与设计。整个系统分为执行机构、信号检测机构以及控制机构三部分:执行机构是由三台水泵组成的水泵机组,通过改变投入运行的水泵的数量和水泵电机的转速来调节供水量;信号检测机构主要检测水压信号作为主反馈信号,经过模数转换送往控制机构;控制机构由PLC系统、变频器和电控设备三方面组成,PLC系统接收检测信号后按已定的算法得出控制方案,然后变频器和电控设备对执行机构进行控制,以此来实现变频恒压供水。
关键词:PLC控制;恒压供水;变频调速;水泵控制
Abstract
The problem of high-rise water supply in residential quarters is a problem that must be considered in the modern construction industry. Traditional water supply mainly includes pressure tank water supply, high water tower water supply and constant speed pump pressurized water supply. However, in the actual water supply process, the above water supply methods usually have unstable water supply, low automation, serious loss of water supply equipment, and low efficiency. Disadvantages. In order to meet people's higher requirements for water supply, to ensure sufficient water supply and water pressure stability under different water conditions, the society began to pay more and more attention to the design and research of constant pressure water supply control system. The emergence of variable frequency speed control technology and the wide application of PLC system provide more powerful help for constant pressure water supply system.
This paper designs a set of stable and reliable constant pressure water supply system with PLC as the main controller for the actual water use problem of residential quarters. According to the professional learning, the software and hardware of the entire constant pressure water supply control system are analyzed and designed. The whole system is divided into three parts: the actuator, the signal detection mechanism and the control mechanism. The actuator is a pump unit consisting of three pumps. The water supply is adjusted by changing the number of pumps that are put into operation and the speed of the pump motor. The signal detection mechanism is mainly The water pressure signal is detected as the main feedback signal and sent to the control mechanism through analog-to-digital conversion. The control mechanism is composed of three parts: PLC system, frequency converter and electronic control equipment. After receiving the detection signal, the PLC system obtains the control scheme according to the established algorithm. Then the inverter and the electronic control device control the actuator to realize the variable frequency constant pressure water supply.
Keywords: PLC control, constant pressure water supply, variable frequency speed control, water pump control
目录
摘要 I
Abstract II
第1章 绪论 1
1.1 课题研究背景和意义 1
1.2 国内外发展现状与发展趋势 1
1.2.1 国内外发展现状 1
1.2.2总体发展趋势 2
1.3 研究的主要内容 2
第2章 控制系统总体方案设计 4
2.1 变频恒压供水原理及理论模型 4
2.1.1 变频调速的技术原理 4
2.1.2 变频恒压供水原理 4
2.1.3 变频恒压供水系统理论模型 4
2.1.4 变频恒压供水系统数学模型 5
2.2 恒压供水系统控制方案确定 6
2.2.1恒压供水控制系统组成 6
2.2.2 供水系统的控制流程 7
第3章 恒压供水控制系统的硬件设计 8
3.1系统主要配置的选型与设计 8
3.1.1主机的选择 8
3.1.2主机PLC的设计 8
3.1.3变频器的选型与设计 10
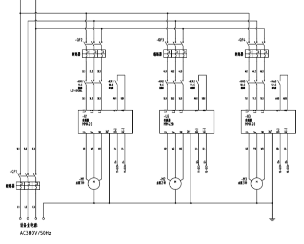
3.2系统主电路的分析与设计 11
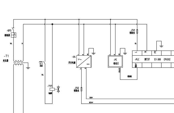
3.3系统控制部分供电电路的分析与设计 12
第4章 恒压供水控制系统的软件设计 13
4.1水泵的运行状态及转换过程分析 13
4.2供水系统的PLC程序编译 14
4.3组态王仿真程序设计 24
总结与展望 31
参考文献 32
致谢 33
附录A 电路图 34
附录B 程序 35
第1章 绪论
1.1 课题研究背景和意义
随着我国科学技术的发展越来越快以及现代住房制度改革的不断深入,人民的生活质量有了质的飞跃,为满足人们对基础建设和住宅质量要求的提高,城市中各类小区的规划设计更加科学合理。其中供水问题与人们的生活关系密切,水作为人类生产生活必不可少的一部分,因为随着现在的楼层越建越高,所以对住宅小区的恒压供水情况有了更高的要求,日常生活供水的稳定性与经济型直接关系到小区用户的居住体验,是人们在选择住房时需要考虑的一个重要方面。除此以外,面对国内水资源短缺的现状,所以通过利用先进的自动控制技术和相关电气原理,设计出供水稳定、功耗低且安全的恒压供水控制系统是大势所趋。
我们都知道住宅小区在一天中的用水量是一个不断变化的过程,但可以将其大体分为以下两种情况:在用水高峰期,小区用水量增大,供水管网中水压值下降,如果没有系统自动调节增加供水,将大大影响小区用户的用水体验;在用水低峰期,小区用水量下降,供水管网中水压值上升,如果没有系统自动调节减少供水量,供水管网中的水压值将持续升高,导致水管破裂和用水设备损坏等情况发生。加上现在呼吁提倡建设资源节约型与环境友好型社会的前提下,利用现有的自动化和电气技术,设计一套供水稳定、运行安全且节约能源的恒压供水系统是当前的大势所趋。
1.2 国内外发展现状与发展趋势
1.2.1 国内外发展现状
![C:\Users\yinxue\AppData\Roaming\Tencent\Users\1260642923\QQ\WinTemp\RichOle\~U)NDY1Q]NWMGZ(LX2SQ8GA.png](http://www.biyelunwen.org/wp-content/uploads/2020/02/lw3741_202021811572584.png)
电磁接触器控制功能。这种控制结构最多可以搭建构成七台电泵的供水系统。这一设备精简了系统的电路结构,不仅便于系统维护,也可以降低系统的生产成本,但也存在其输出接口扩展功能的灵活性差、动态性能降低以及系统的不稳定等缺点,与组态软件和BA等其他监控系统相比会在一定程度上限制带负载的容量,并且较难实现数据的通信,所以在实际应用过程中适用范围会受到一定的限制。
目前国内也有许多公司专门从事恒压供水系统搭建方面的工作,主要还是采用进口的变频调速器结合可编程逻辑控制器PLC和电动阀等设备,PLC得到压力等信号并得到相应的控制方案,然后利用变频器直接调节水泵转速实现恒压供水,也有使用单片机配合相关软件来实现系统功能,但在实际生活中均没有达到预计的技术高度,距离满足用户实际需求也有很长的一段路要走。
1.2.2总体发展趋势
目前,恒压供水系统正在向集成化、智能化、简洁化发展。为不断满足市场需求,市面上变频器的针对性和集成性不断提高,出现了专门针对恒压供水的变频器,并且这类变频器往往集成了PLC和PID,甚至连压力传感器也加入到变频组件中,其维护成本与复杂程度也相应提高。在住宅小区恒压供水控制系统的研究与设计过程中,要保证系统能在不同的用水条件下自动完成工作。但结合当前的网络通讯技术和自动控制技术并能保证整个系统的电磁兼容性,这一方面的研究还有待深入,需要进一步的研究不断完善系统性能,使系统更加智能与稳定,能够广泛应用于多种不同供水区域。
1.3 研究的主要内容
本次毕业设计的内容是对住宅小区恒压供水控制的研究,主要设计一个以可编程逻辑控制器PLC为主控器,变频器与水泵为执行机构的恒压供水控制系统,具体研究内容如下:
1.研究了住宅小区变频恒压供水系统的国内外发展现状,并查阅相关文献资料,主要包括产业的发展和技术的提高两个方面;
2.了解恒压供水过程后详细分析各个环节的具体作用,提出合理的设计方案,并且进行了系统方案的研究设计与论证
3.研究分析住宅小区恒压供水的主要原理,详细分析设计变频器控制水泵机组在不同条件下的工作状态;
4.对住宅小区恒压供水控制系统的硬件功能进行设计研究,分析该系统相应的硬件特点,并且完成硬件的选型
5.完成系统PLC控制程序的设计和编写
6.系统仿真调试
第2章 控制系统总体方案设计
2.1 变频恒压供水原理及理论模型
2.1.1 变频调速的技术原理
在一般情况下下,我们在生产生活中所使用的绝大多数水泵电机都是采用三相异步电机,不难知道,三相异步电机的转速表达式为:n=60f(1-s)p。
在这个公式里面,n是三相异步电动机的转速,f是三相异步电动机的电源频率,s是电机的转差率,p是电机的极对数。显而易见,在这个公式里,电动机的转速与其频率成正比,因此我们只要改变三相异步电动机的电源频率就可以直接改变其转速。仅仅当频率在0至50赫兹范围内变化时,电机的转速可调节范围就会很大。因此,简单来讲变频器就是通过调节三相异步电动机的电源频率来实现高效率且高性能的电机转速调节。
2.1.2 变频恒压供水原理
恒压供水就是指在不同用水条件下,系统能够自动调整执行机构的工作情况来保持供水管网中水压稳定在设定值的供水过程。保持供水管网中的水压值稳定在设定值就要保证单位时间内流过供水管网的水流量不变。根据流体力学的原理,水泵的供水量与水泵电机的转速成正比且水泵所耗功率与其电机转速的平方成正比。所以,如果要求供水系统能实现恒压供水,就要在供水管网中安装水压检测装置,并将得到的水压值与设定值进行比较。当压力信号偏大时,控制器输出值增大,然后通过变频器控制水泵电机转速下降使水管内流量下降;压力信号偏小时,控制器输出值减小,然后通过变频器控制水泵电机转速上升使水管内流量上升,从而使水压仍然可以稳定在预期范围内。
2.1.3 变频恒压供水系统理论模型
本次毕业设计的住宅小区恒压供水控制系统的控制目标为供水管网中的水压值,通过对执行机构的调整和控制,实现供水管网中的水压值稳定在设定值附近。系统中水压的设定值可以是一个常数,也可以是一个时间分段函数且在任一时段内函数值都是一个常数。 所以,无论是在某一时刻,还是在某一段时间内,系统的控制目的都是使供水管网中的实际压力值稳定在设定值或围绕设定值小幅度上下波动。在系统供水过程中,如果管网中压力值偏低,则系统将会得到一个正压力差值,经过控制器分析后得出控制方案,增加变频器的输出频率。变频器的输出频率增加控制水泵电机的转速提高,使单位时间内供水量增大,从而增大管网水压。在供水过程中,经过以上调整过程的多次重复循环,供水管网中的水压值得以稳定。如果管网中压力值偏高,情况则恰恰相反,系统控制降低变频器的输出频率,从而使水泵电机的转速下降,单位时间内供水量下降,从而减小管网水压。两种恰恰相反的调节过程最终结果都是将供水管网中的水压稳定在设定值。
变频器
水泵
供水管网
压力传感器
给定值
频率
转速
压力值
图2.1 控制系统结构图
2.1.4 变频恒压供水系统数学模型
由于本系统的控制目标是住宅小区供水管网中的水压值,而这个水压值是一个非线性、滞后且时变的对象,所以很难得到其精确的数学模型,只能近似处理,将其模型等效化。从开始运行到供水管网中水压稳定在设定值这一过程,系统会经历如下两个阶段:首先,接通电源,系统开始运行,水泵开始向供水管网输送水源,此时供水管网中的水压基本稳定在初始值不发生变化,这是一个纯滞后的过程;经过一段时间的持续供水后,管网中的水压值逐渐增大并达到设定值,这是一个惯性过程且其时间常数较大。
除此之外,整个系统中其他环节的滞后时间和时间常数与以上过程相比可以忽略不计,并可将其近似处理为比例环节。综上分析,住宅小区恒压供水控制系统的数学模型可以近似处理成一个带纯滞后的一阶惯性环节,其传递函数可以写为:
其中K是系统总增益,T是系统的惯性时间常数,τ是系统的滞后时间
2.2 恒压供水系统控制方案确定
2.2.1恒压供水控制系统组成
整个住宅小区恒压供水控制系统包含的主要设备有可编程逻辑控制器PLC、控制面板、水泵、供水管道、变频调速器和压力传感器等。在控制面板上设定几个较为关键的控制按钮,例如启动按钮、停止按钮、紧急停止按钮等。压力传感器用来获得供水管网中的水压值。整个系统的控制核心为PLC,在预先设定的程序下,PLC以控制按钮和压力传感器检测得到的信号值作为依据,来对驱动变频器、阀门以及水泵的运行来实现供水管道中的水压调节。
总的来说,可将系统分成执行机构、信号检测机构和控制机构三部分, 各部分的构成和分工情况如下:
1)执行机构:执行机构由三台水泵组成,是系统直接改变单位时间内的供水量来调节供水管网中的水压值的部分。每台水泵都有变频、工频和停止运行三种状态,变频器直接控制水泵进行状态切换、水泵电机调速或改变投入系统运行的水泵的数量,以此来改变供水管网的注水量,保持水压稳定。
2)信号检测机构: 在整个恒压供水控制系统中,需要检测的主要信号为水的压力信号,压力信号反映了供水管网中的水压值,是整个控制系统的主要反馈信号。由压力传感器得到反映水压值大小的模拟信号,经过A/D转换将模拟信号转化为数字信号后,送入PLC模块。另外,为保证水泵机组供水水源充足,还需要在水源处安装液位传感器,由液位传感器得到的液位信号反应水源的充足情况。当液位信号有效时,恒压供水控制系统应采取保护措施来防止水泵空抽损坏水泵和电机。作为一个控制系统,报警信号是不可或缺的重要部分,它反映了整个系统是否正常运行供水,水泵和变频器是否存在异常,由PLC进行判断并进行显示和控制以保证系统安全平稳的运行。
3)控制机构:在本次毕业设计中整个控制机构是由可编程逻辑控制器PLC系统、变频调速器和电控设备三大部分组成。其中,可编程逻辑控制器PLC系统是整个恒压供水控制系统的最核心的环节,首先对整个供水控制系统中的压力信号、液位信号及报警信号进行采集,可编程逻辑控制器PLC对从人机接口和通讯接口得到的数据进行分析以及处理,然后将系统生成的控制方案反馈给执行机构,通过对执行机构(即水泵机组)进行控制;可编程逻辑控制器PLC将控制信号送入变频调速器以改变变频泵的运行频率,用这种方式来完成水泵电机的转速控制,维持供水管网中的水压值在设定值附近。
2.2.2 供水系统的控制流程
简单来讲,恒压供水的要求就是指在供水过程中能够实现自动调节以保持水管内水压不变的供水过程。相对来讲,能保持水管内水压不变即保持单位时间内水管中水的流量不变。根据查阅流体力学的相关资料文献,显而易见的得出水泵的流量又和其转速成正比,电动机消耗的功率和其转速的平方成正比。因此想要完成设计题目中的变频恒压供水功能,就需要通过在系统中安装压力检测装置将系统压力信号和预先设定值进行比较。当压力信号偏大时,控制器输出值增大,然后通过变频器控制水泵电机转速下降使水管内流量下降;压力信号偏小时,控制器输出值减小,然后通过变频器控制水泵电机转速上升使水管内流量上升,从而使水压仍然可以稳定在预期范围内。详细控制流程如下:
接通系统总电源后,1号变频调速器启动并且拖动水泵1#变频运行,通过可编程逻辑控制器PLC控制根据供水管网中的实际压力和设定值之间的误差大小来相应的调节变频器的输出频率,从而实现对水泵电机M1转速的调节,进而当供水管网中的实际压力稳定在设定值附近时,水泵转速稳定。当小区的用水需求量上升,相应的整个供水管网中的水压值下降,控制器调节变频器就会相应的拖动水泵转速提高直至水压稳定;当小区用水量下降,供水管网中的水压值上升时,控制器调节变频器会拖动水泵转速下降直至水压稳定。除此以外,也要考虑水泵机组的运行情况,尽量保持每台水泵的损耗程度大致相同。
以上是毕业论文大纲或资料介绍,该课题完整毕业论文、开题报告、任务书、程序设计、图纸设计等资料请添加微信获取,微信号:bysjorg。
相关图片展示:





![C:\Users\yinxue\Documents\Tencent Files\1260642923\Image\C2C\POSK58T7KY5MFGJ)ZO]Z)5P.png](http://www.biyelunwen.org/wp-content/uploads/2020/02/lw3741_202021811572763.png)



