基于LabVIEW的振动与噪声测试系统设计毕业论文
2020-02-19 09:16:29
摘 要
随着国家经济社会的发展,用电需求随之不断提高,越来越多的变电站被修建。随着人民生活水平的提高,环保素养也随之增强,变电站带来的噪声问题越来越被全社会所关注,因为噪声投诉问题每年给国家电网带来巨大的经济损失。变压器的噪声来源于变压器本体和冷却系统两个方面,而其中给人们带来困扰的主要是是变压器本体的铁芯振动产生的衰减慢、声波长、穿透性强的低频噪声。为了进行噪声治理,首先要进行噪声测试,利用现代噪声测试技术获取变电站的噪声数据并加以分析,才能制定针对性的噪声治理方案。
LabVIEW开发环境集成了工程师和科学家快速构建各种应用所需的工具,对于变电站的噪声测试,它可以对变电站噪声进行长时间的测试,并且有存储、在线实时显示分析、离线分析测试数据等功能。本文以变电站噪声测试为研究目标,在了解振动与噪声相关知识的基础上,结合变电站噪声测试技术的相关知识,针对变电站噪声特性,基于LabVIEW软件平台开发,在原有单通道噪声测试的基础上,开发设计多通道的振动与噪声测试系统。然后设置一声源设备为噪声源进行试验,将基于LabVIEW的多通道噪声测试程序与硬件设备连接,来验证所开发的噪声测试系统设计的可行性。试验最终表明基于LabVIEW软件平台开发设计多通道噪声测试系统是可行的,这为变电站噪声测试提供了更好测试方式。
关键词:变电站;噪声测试;多通道;LabVIEW
Abstract
With the development of national economy and society, the demand for electricity is constantly increasing, and more and more substations are built. With the improvement of people's living standard and the enhancement of environmental protection literacy, the noise problem caused by substation has been paid more and more attention by the whole society, because the noise complaint problem brings huge economic losses to the State Grid every year. The noise of transformer comes from two aspects of transformer body and cooling system, and the main troubles to people are the low frequency noise with slow attenuation, sound wavelength and strong penetration caused by the vibration of iron core of transformer body. In order to control the noise, the noise test should be carried out first, and the noise data of substation can be obtained and analyzed by using modern noise test technology, so as to formulate a specific noise control scheme.
LabVIEW development environment integrates the tools needed by engineers and scientists to quickly construct various applications. For the noise test of substation, it can test the noise of substation for a long time, and has the functions of storage, on-line real-time display and analysis, off-line analysis and test data. Based on the knowledge of vibration and noise, combined with the relevant knowledge of noise testing technology of substation, aiming at the noise characteristics of substation, this paper develops a multi-channel vibration and noise testing system based on LabVIEW software platform and on the basis of the original single-channel noise testing. Test system. Then a sound source device is set up to test the noise source. The multi-channel noise testing program based on LabVIEW is connected with the hardware device to verify the feasibility of the developed noise testing system. The test results show that it is feasible to develop and design a multi-channel noise testing system based on LabVIEW software platform, which provides a better testing method for the noise testing of substations.
Key words: Substation; Noise test; Multi-channel; LabVIEW
目录
第1章 绪论 1
1.1 研究目的 1
1.2 研究意义 1
1.3 研究现状 1
1.4 研究内容及方案 3
1.4.1 研究内容 3
1.4.2 研究方案 3
第2章 变电站噪声测试及噪声特性分析 4
2.1 变电站测试 4
2.1.1 测试对象的调查 4
2.1.2 测试要求 4
2.2 变压器噪声特性分析总结 4
第3章 基于LabVIEW的多通道噪声测试系统设计 9
3.1 LabVIEW测试现状 9
3.1.1 LabVIEW概述 9
3.1.2 LabVIEW测试的优点 10
3.1.3 LabVIEW在测试中的应用现状 11
3.2 LabVIEW程序开发概念 11
3.3 数据采集及保存 11
3.3.1 振动与噪声信号的采集 12
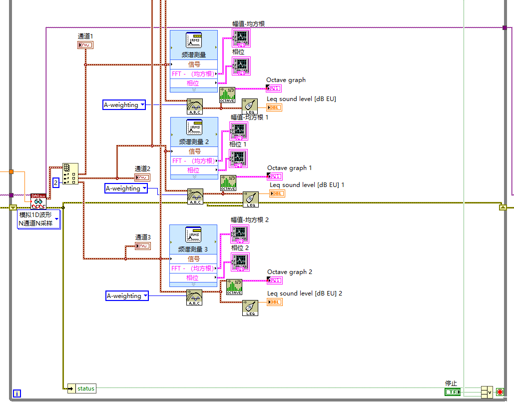
3.4 LabVIEW噪声测试系统的开发设计 14
3.4.1 信号采集模块 14
3.4.2 数据处理模块 17
3.4.3 数据储存模块 19
3.4.4 报错模块 22
第4章 基于LabVIEW的多通道噪声测试 25
4.1 噪声测试程序硬件 25
4.1.1 传感器 25
4.1.2 数据采集卡 26
4.2 噪声测试试验 27
4.3 变电站噪声测试可行性探究 30
第5章 总结 31
参考文献 32
致 谢 33
第1章 绪论
1.1 研究目的
基于LabVIEW的振动与噪声测试系统设计发展现状及应用调研、在了解振动与噪声控制相关知识的基础上,结合工程测试技术的相关知识、建立振动与噪声测试过程、基于LabVIEW软件平台开发设计振动与噪声测试系统、在实验室以某一个噪声源设备为例,验证基于LabVIEW振动与噪声测试系统设计的可行性,并最终完成基于LabVIEW软件平台开发设计振动与噪声测试系统的设计。
1.2 研究意义
在今天,国民经济和电力需求不断攀升,电力输送设施在全国各地电力输送设施越建越多,像人体经络一般交织穿梭在祖国大地上,将电力持续地输送到任何需要它的地方,这些一起组成了我国的复杂而庞大电力输送系统。变电站又称为电力输送系统中的中转站,在整个电力输送系统中具有核心枢纽地位变电站运行时噪声影响面和影响程度与变电站的规模和电压等级有关。在土地资源紧张的大中型城市,变电站通常与商圈居民区离的很近,这就使得变电站噪声的影响非常突出,治理电站噪声的需求也就变得更加急迫。输变电工程中噪声控制和治理已经成为当前国家电网急切需要解决的重大问题。对变电站噪声测试可以知道变电站主变压器在不同负载下的声功率水平及噪声源成因,可为变电站噪声分布预测和降噪提供数据参考。
本文主要研究的由国家仪器(NI)公司研制开发的虚拟仪器LabVIEW是一种程序开发环境,类似于C语言或BASIC开发环境,LabVIEW与其他计算机语言有显著的区别:相较于采用基于文本的语言产生代码的方式,LabVIEW所使用的是图形化编辑语言G编写程序,产生的程序是更直观的框图的形式。作为NI设计平台的核心,LabVIEW同时也是设计测量或控制系统的理想选择。LabVIEW具有科研工作者在快速构建各种应用时所需的全部工具,主要作用就是帮助工程师和科学家更方便更高效的完成科研工作。针对于变电站的振动和噪声测试,它可以对变电站振动、噪声进行长时间的测试,并且有存储、在线实时显示分析、离线分析测试数据等功能。以LabVIEW为基础的测量和分析,可以建立相应的相关特征信息数据集,为之后的研究提供数据。所以基于LabVIEW进行变电站振动和噪声测试系统的设计对变电站噪声问题意义重大。
1.3 研究现状
DonghuiWang 等人的变电站噪声测试研究中,对变压器外部声场进行了声辐射特性分析,定量和可视化了变压器的外部声场。最后,将这些声辐射特性分析结果和反馈应用于低噪声室内变电所的整体布局修改和吸声结构改进,以降低噪声敏感区边界处的声压级。改进后的放、吸声结构可以限制变电站噪声对周围声环境的影响[1]。Li、 ZG等人认为高压变电站变压器噪声是一种重要的低频噪声源,会引起较高的主观干扰。传统的噪声控制技术对其影响越来越小,寻找一种降低变压器噪声主观干扰的新方法具有重要意义。选取了500kv特高压变电站变压器噪声作为原始噪声样本。在原始噪声样本中分别加入纯音、窄带粉噪声和水声,对变压器噪声进行调节和控制。采用配对比较试验,比较噪声对受试者主观烦扰程度和噪声调节与控制前后的工作效率[2]。Liu B 等人为了研究混合噪声,将混合噪声分离为多个独立的噪声信号。提出了一种结合小波变换和稀疏分量分析的高压变电站单通道混合噪声信号分离算法。通过设置小波变换从原始噪声信号中分离出来的低频部分和高频部分这两个增强信号,可以将单通道盲分离转变为欠定盲分离。然后通过稀疏分量分析对不同噪声源的信号进行分离[3]。从两个方面进行了分析,一是不同测点间的振动传递函数和相干函数与变压器振动的关系,二是不同楼层同一测点的振动和噪声的相关谱和相干函数。其次,通过计算和线性拟合,得到了地板振动与噪声的相关系数及其相应的关系曲线。最后,分析了水平和垂直距离对地板振动的衰减特性,得到了相应的拟合曲线[4]。
在国内的研究中彭任华等人为测量分析高压变电站同时存在的线路电晕噪声、电器(变压器、电抗器等)本体噪声和周边环境准平稳噪声,根据变电站噪声源的时频特性,提出一种基于梳状滤波器与小波变换相结合的高压变电站噪声分离算法.首先根据本体噪声的线谱特性,利用通带梳状滤波器滤波实现本体噪声的估计;其次利用高频小波系数构造电晕噪声检测信号实现电晕噪声与准平稳态噪声的分离[5]。吴晓文等人500 kV 变电站为研究对象,对站内多组主变、高抗以及变电架构等主要设备的噪声水平及衰减特性进行了详细检测。结果表明,主变及高抗噪声水平均较高,主变噪声能量主要集中在 100 ~ 1000 Hz 频率范围内,其中 400 Hz 频率分量噪声能量最高,高抗 100 Hz 及其倍频带噪声能量较高,100 Hz 噪声能量最大,主变与高抗噪声在传播过程中均存在干涉现象,变电架构噪声受高抗噪声干扰较为严重,噪声源主要集中在母线封端球位置[6]。马裕超等人以110kV西安北门变电站及其联体结构作为研究对象,进行了变电站变压器室和各层楼板的振动与噪声测试,通过对测试数据的时频分析和相干性分析,得到了户内变电站的声振特性及传播规律。变压器本体振动频谱主要为100Hz及其倍率,楼板的振动特性与变压器本体基本一致,变压器振动及噪声在结构楼板中的传播具有明显的衰减性,振动向下层楼板传递要高于上层楼板,距离变压器室越远的楼层,振动与噪声及其低频特性较弱,衰减不再显著,最后建立了户内变电站有限元模型,对变压器及楼板振动进行仿真分析[7]。
1.4 研究内容及方案
1.4.1 研究内容
以变电站噪声测试方案为对象,借助LabVIEW软件平台开发设计振动与噪声测试系统,研究基于LabVIEW振动与噪声测试系统设计的可行性,能为之后变电站噪声测试提供理论指导。
1.4.2 研究方案
(1)搜集国内外研究变电站噪声测试的中英文文献,阅读并整理文献, 为后续工作做铺垫;
(2)根据文献,总结归纳国内外变电站噪声测试技术发展现状及应用;
(3)搜集有关变电站噪声测试的相关数据,学习LabVIEW,分析现有的噪声测试程序,测试步骤,测试方法;
(4)学习声学的相关知识,对测试结果进行分析研究;
根据结果进行分析讨论,对其中的不足之处做出一定的优化。
第2章 变电站噪声测试及噪声特性分析
2.1 变电站测试
2.1.1 测试对象的调查
对变电站测试对象和测试现场进行调查的目的主要是清楚变电站本身所处的位置以及变电站内部拥有的电力设备的分布,以此去确定厂界范围和主要的噪声源以及周边环境的其他噪声信息和主要的声音传播途径等。变电站变压器噪声主要包括变压器本体噪声和冷却系统噪声。变压器本体的噪声是由铁心的磁致伸缩变形和绕组、油箱和磁屏蔽中的电磁力引起的。变压器散热系统中的风机、泵噪声是冷却系统噪声的主要来源。高噪声电阻原理与变压器原理相似。带电框架的噪声是指框架和某些设备周围的电晕能直接听到的噪声。
对于室内变电站来说抽风机噪声也是主要噪声源,各种操动机构和高压断路器分闸和合闸操作也算间接存在的噪声源。
2.1.2 测试要求
获得变电站噪声数据是对变电站噪声评价和控制的前提,因此就必须对变电站噪声源进行测量,通过对测量数据的分析和计算对变电站噪声的情况做出科学的评估,为之后进行变电站噪声控制提供数据支持。总而言之,只有在国家和行业标准规定的范围内采取正确的测试程序和测试方法对变电站噪声进行测试才能得到真实有效的数据。
对变电站噪声进行测量,不仅要测量出变电站内部主要设备的噪声数据,还要对变电站附近的环境敏感区进行测量用来评估变电站噪声对周围居民的影响。也就是说,在调查变电站内部各种主要噪声源分布的同时还要调查附近建筑物的分布情况,在进行测量时也要在这些地方设置测量点进行测量,根据测量得到的数据再分析是否符合声环境国家标准。
2.2 变压器噪声特性分析总结
我国的变电站主要分为110kV,220kV,500kV,750kV,1000kV等几种电压容量等级。变电站内部的噪声源主要包括主变压器、电抗器、变电架构、风机等主要设备。通常来说电压等级越高的变电站噪声就越大,其中变压器是最主要的噪声来源,所以本节主要分析一下变电站主变压器的噪声特性[8]。
变压器运行时产生的噪声属于低频噪声。其电磁噪声包括基频分量和高次谐波分量。变压器噪声的基频是交流电频率的两倍。也就是说,对于50赫兹交流电的频率,变压器铁心产生的噪声为100赫兹为基频,绕组为50赫兹为基频。因此,所有变压器都处于这个频率。存在特征峰,包括200赫兹、300赫兹等高阶谐波分量。总之,变压器电磁噪声属于低频特性,其频率范围主要集中在50~600赫兹之间[9]。
在变压器噪声频率高于600Hz时,它的声压级衰减较快。整个频谱都是以中低频噪声为主。
与高频噪声相比,变压器低频噪声具有波长长、衍射和传输能力强、易跨越障碍物、随距离衰减慢、噪声传输距离长、影响范围广等特点。在当今社会,低频噪声没有有效的吸声材料,导致目前设计的各种吸声装置的降噪效果有限。它们的作用通常是减少由墙壁上的多个噪声反射引起的混响。低频噪声也是居民日常生活中的主要噪声源,因此变电站的噪声控制主要是低频噪声。

图2.1 110kV变压器噪声频谱
对某地区110kV变电站的主变压器进行噪声测量时,测点处的变压器噪声信号主要集中在100Hz少量在200Hz和600Hz,该电压等级下,噪声频谱主要集中在700Hz以下的频带范围内,如图2.1。
对某地区220kV变电站的主变压器进行噪声测量时,测点的变压器噪声信号主要集中在100Hz,200Hz,300Hz,400Hz,500Hz,600Hz,700Hz上,如图2.2。

图2.2 220kV变压器噪声频谱
对某地500kV变电站主变压器进行测量时[20,21],测点的变压器噪声信号主要集中在400Hz,450Hz,500Hz三个频率上,其中以450Hz频率上的能量最高,如图2.3。
对某地750kV变电站主变压器进行测量时[22,23],测点的变压器噪声信号在500Hz以下噪声幅值较高,在100和200Hz时比较明显,在500Hz之后催着频率升高逐渐呈现下降趋势,如图2.4。
对某地区1000kV特高压变电站主变压器进行噪声测量时,测得的变压器噪声信号表现出周期性特点,100Hz,200Hz,400Hz频率成分能量较高,100Hz的幅值最大,如图2.5。

图2.3 500kV变压器A相噪声频谱

图2.4 750kV变压器噪声频谱

图2.5 1000kV变压器噪声频谱
总体而言,变压器的低频噪声衰减更慢。以变压器、电抗器本体的噪声为例,它们的能量主要集中在100Hz及其一系列谐频成分上。且在传播过程中,100Hz的衰减最为缓慢。
以上是毕业论文大纲或资料介绍,该课题完整毕业论文、开题报告、任务书、程序设计、图纸设计等资料请添加微信获取,微信号:bysjorg。
相关图片展示:









