基于ESP8266芯片模组的小型WiFi智能物联控制系统设计与实现毕业论文
2020-02-17 23:03:28
摘 要
本文借助无线通信技术和物联网开发者平台,旨在设计出一套价格上可以为大众接收,满足节能减排需求,用户操作便捷的智能家居控制系统。该系统包括硬件设备端,服务器端,APP控制端三大模块;将以ESP8266Wi-Fi芯片模组作为无线通信模块来实现Wi-Fi无线通信并增加相关外设作为硬件端来模拟智能家居设备原型,以机智云物联网开发者平台作为云端服务器实现硬件端和控制端模块间通信和数据存储及传输;同时需要 Android APP作为控制端以实现实时远程地监测家居环境和控制家居硬件设备。
最后通过在各模块间进行一体化联调和功能验证,实现了模块间通信,硬件设备快速入网和 APP端的远程控制,从而完成了一个简易的智能家居物联控制系统的设计与实现,同时该系统在性能上具有良好的稳定性在功能上具有良好的可扩展性。
关键词:ESP8266;物联网;智能家居;云平台
Abstract
With the help of wireless communication technology and Internet of things developer platform, this paper aims to design a set of intelligent home control system that can be accepted by the public at a price, meet the needs of energy conservation and emission reduction, and provide convenient operation for users. The system consists of three modules: hardware device terminal, server terminal and APP control terminal. The ESP8266 wi-fi chip module will be used as the wireless communication module to realize wi-fi wireless communication, and peripherals will be added as the hardware terminal to simulate the smart home device prototype, and the intelligent cloud Internet of things developer platform will be used as the cloud server to realize the communication and data storage and transmission between the hardware terminal and the control terminal module. At the same time, an Android APP was designed as the control terminal to realize real-time remote monitoring of home environment and control of home hardware devices.
At last, through integrated coordination and functional verification among each module, communication between modules, fast network access of hardware devices and remote control of APP terminal are realized, so as to complete the design and implementation of a simple intelligent iot control system. At the same time, this system has good stability and scalability.
Key Words:ESP8266;Internet of things;Smart home system;Cloud
目 录
第1章 绪论 1
1.1 研究背景及意义 1
1.2 国内外研究现状 1
1.3论文组织及结构安排 2
第2章 系统及硬件端设计原理 3
2.1 系统设计概述及需求分析 3
2.2 系统的硬件模块设计方案 4
2.2.1 Wi-Fi无线通信模块 4
2.2.2 RGB灯模块 4
2.2.3 温湿度采集模块 5
2.2.4模拟电动窗帘模块 6
2.2.5 USB转串口模块 7
2.2.6 扩展接口模块 7
第3章 机智云物联网平台简介 8
3.1云平台概述 8
3.2开发流程 9
第4章 软件设计及实现 11
4.1开发环境搭建及编译 11
4.2协议的代码设计实现 13
4.2.1控制型协议实现 13
4.2.2上报型协议实现 14
4.3具体功能实现 15
4.3.1外设硬件驱动的调用实现 15
4.3.2配置模式加入RGB灯色彩提示的设计实现 16
4.3.3 RGB调色功能代码设计实现 16
4.3.4温湿度采集代码设计实现 17
第5章 系统功能测试 19
5.1固件程序下载及部分按键功能测试 19
5.2控制端功能测试 20
5.2.1控制端功能整体结构 20
5.2.2控制端具体功能测试 21
第6章 总结 25
参考文献 26
致 谢 27
第1章 绪论
1.1 研究背景及意义
随着技术的不断更新换代,目前物联网技术已经广泛应用于人们的日常起居生活中, 例如安防,医疗,军事,家居领域,毫无疑问物联网给传统类型行业插上了“智慧”的翅膀。技术是为人服务的,生活品质和质量渐渐地得到了越来越多人的关注,因此依赖于物联网技术的智能家居逐渐进入了人们的视野并持续得到关注[1]。无论是从技术还是市场来看,智能家居系统未来必将如火如荼的发展,因此开发基于ESP8266芯片的小型Wi-Fi智能物联控制系统十分必要且颇具意义[2]。
智能家居系统的核心在于借助技术的进步,不断使家居更加“智慧”[3]。传统智能家居体系未能“飞入寻常百姓家”很大水平上可以归咎为以下几点缘由:第一,传统智能家居物联系统受到物理空间,操控方式等因素限制,操作相对繁琐,而目前智能家居则免去了传统的布线等,并且允许多种方式控制,使得操控更加便捷,成本更低[4]。第二,传统家居系统的控制往往受限于物理位置,使得操控往往局限在局域网内,而当前的智能家居控制系统借助云服务器平台摆脱了距离的限制,实现了真正意义上的远程控制。第三,传统家居物联系统受技术所限,开发过程过于繁琐,而如今的智能家居控制系统则可以借助物联网开发平台,大大缩短了开发时间。
1.2 国内外研究现状
物联网技术作为智能家居的关键支撑技术最近几年发展势头迅猛,各大高校和企业一直是物联网技术发展领域的排头兵。国外的高校如:加州大学,MIT,宾汉顿大学都成立自己的实验室进行专门的物联网相关领域技术的开发投入,国内的高校有国防科技大学,西安电子科技大学,东南大学,大连理工大学等也在相关方面投入了大量的资金来进行研究开发,而且令人振奋的消息是大工IOT专业的一个课题组在国际性大会上发表了几项引起海内外广泛关注的研究成果,该项研究成果解决了WSN领域的难题。企业方面,京东基于物联网等前沿技术打造的自助式零售便利店很好地实现了将IOT传感设备检测到的数据进行汇总分析,让买家和卖家都能获得不一样的零售体验。蓝鸽集团也开始借助物联网技术在多媒体教室内添加云录播系统,实现对多媒体设备的智能控制及故障诊断,同时大大提高了教学资源的利用效率和使用限制。此外许多传统的制造业也借助物联网技术为自己服务,据在中国无锡召开的世界物联网博览会数据显示,我们的物联网行业已进入万亿规模,处于世界领先水平。
随着经济的发展,人们对自己的生活水平显得格外关注,对智能家居的关注度越来越高[5]。试想一下?假如在炎热的夏天或者寒冷的冬天一回家便有已经打开好的空调[6];或者由于出门时走的匆忙而忘记了自己的窗帘是否关闭?或者当我们人不在家里时却想根据家里的温度和湿度重要参数来进行相应的电器控制?智能家居的意义就在于不断为人们提供一个舒适度更高、安全系数更强、更加便捷和更高效率的的生活环境[7]。无论是从技术上还是从社会发展人类生活诉求上看,智能家居控制系统在今后的数年中将发生令人振奋的发展。
1.3论文组织及结构安排
本次设计运用ESP8266芯片模组作为Wi-Fi模块,利用其GPIO接口来连接单片机或其他设备以实现某种家居设备联网控制[8];移动控制端采用Android App,服务器端采用机智云的物联网开发者平台,实现用户到家居硬件真正的远程控制;真正解放人的双手。该系统能让用户随时随地在控制端APP上查看家里的环境参数并及时根据参数来进行个性化的控制。该系统研究工作主要包括三个方面:一是硬件端的设计及家居硬件设备的模拟,需要深入了解实际中的情况来模拟现实中的环境,将用小电动机来模拟家里的智能窗帘的开关,同时用继电器来模拟各类电器的开关。二是服务器端对数据的接收,存储和解析且同时实现整个系统中各个模块的通信。三是借助云服务器厂商的物联网开发者平台实现移动端APP对家居环境监测和硬件设备的远程实时控制。
以下是本文的结构组织安排:
- 绪论;在此部分主要介绍论文背景,意义及国内外研究现状。
- 系统及硬件端设计原理;主要介绍模拟智能家居的硬件设备电路原理。
- 云服务器端物联网开发者平台;在此部分主要介绍了平台特点和开发流程。
- 软件设计及实现;在此部分主要介绍系统软件编程的实现。
- 系统功能验证测试;在此部分进行系统各个模块的功能是否实现以及性能。
- 回顾总结;在此部分主要总结了本次毕业设计的收获,不足和展望。
- 系统及硬件端设计原理
2.1 系统设计概述及需求分析
本次设计的目标是通过该系统提供一种更便捷,智能,廉价的家居生活。给传统的家居硬件设备赋能,使其更能满足新的背景下人们的需求,提供更好的服务。设计应该考虑到该系统的可扩展性,使其能满足未来发展的进一步需求,而不是短时间内被淘汰,同时系统的成本不应该过高,性能也需要十分稳定。硬件端应当预留有一定的接口,以便于之后进行一定的需求扩展和升级要求。
本次设计将智能家居系统分为硬件端,服务器端和Android控制端三大模块。通过Wi-Fi无线通信技术,云服务技术,计算机技术实现各个模块的结合统一[9]。采用ESP8266芯片模组来作为Wi-Fi模块,实现温,湿度,光照传感器节点数据的传输。硬件端监测并接收来自控制端的指令,同时将采集到的数据通过云服务器端传送到手机APP并显示。硬件端模块主要使对室内环境进行检测和控制,主要包括温湿度采集系统,自动窗帘控制系统和电器开关控制系统。服务器端则采用目前物联网领域应用十分广泛的云服务器物联网开发者平台,控制端采用目前市场占有率最高的Android操作系统,因此该控制端可以随时随地的实现对硬件端数据的读取显示和控制[10]。系统的功能需求主要包括:硬件端完成数据采集和通过无线模块从云服务器接受指令,并执行相应的动作;云服务器端接受数据并存储,解析,转发到Android控制端,也即作为硬件端和Android控制端的通信桥梁;Android APP移动控制端需要具备对来自云服务器的数据进行接收,显示能力,和命令发送以实现控制功能,同时Android APP端应功能齐全,界面简洁,操作方便。本系统整体架构图如图2.1所示:

图2.1 系统整体架构图
2.2 系统的硬件模块设计方案
2.2.1 Wi-Fi无线通信模块
常用的无线通信技术有Wi-Fi,Zig Bee,Bluetooth,NFC等;而Wi-Fi无线通信技术是使用最广,可以说是妇孺皆知的技术[11] 。这也是因为Wi-Fi技术的传播距离远,性能稳定,且功耗较低,因此无线通信方式选择Wi-Fi。
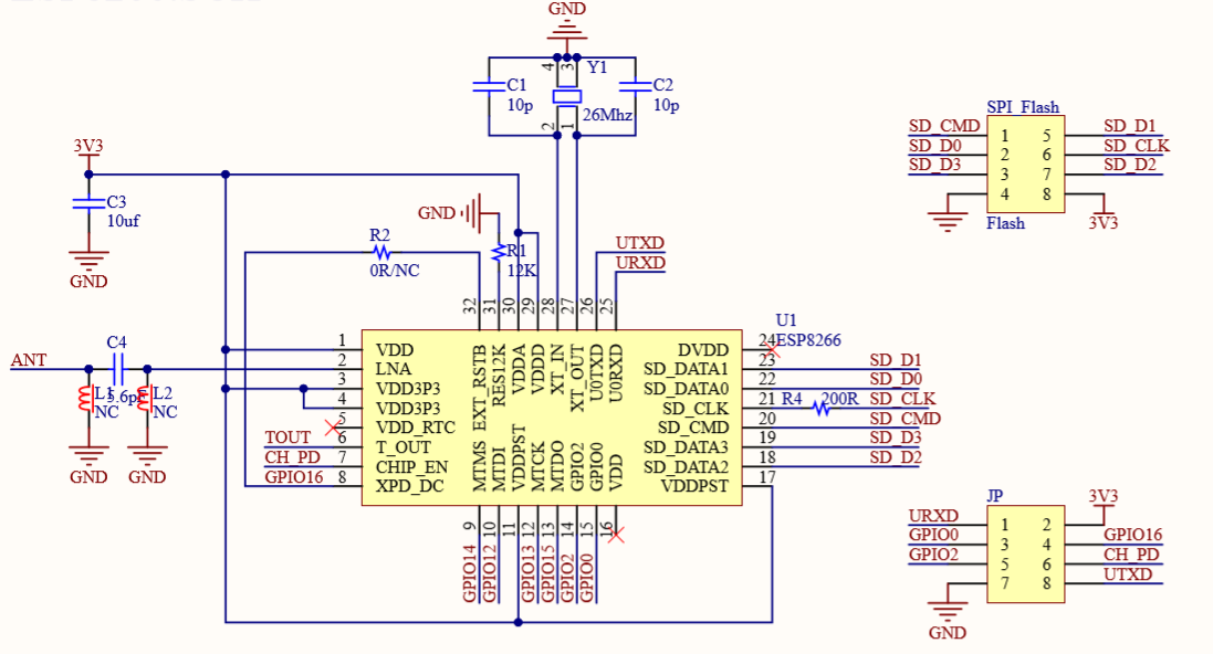
乐鑫公司开发的ESP8266Wi-Fi芯片可以说是Wi-Fi芯片界的宠儿,它将Wi-Fi芯片的价格拉低了有足足三倍之多。ESP8266EX系列芯片具有出色地Wi-Fi 网络功能,既能够独立应用,也可以作为slave搭载于其他Host运行[12]。除此之外该芯片还有内置的高速缓冲存储器,因此它在很大程度上优化了存储系统对系统性能也十分有益。同时芯片集成了很多必要且常见地功能元器件例如集成了增强版的 Tensilica’s L106 钻一系列 32-bit 内核处理器,这样的设计大大降低了电路板的尺寸。ESP8266EX 可以通过 GPIO 外接传感器和其他设备这使得硬件端具有很好的可扩展性。芯片引脚如图2.2所示。

图2.2 ESP8266Wi-Fi模块最小系统原理图
2.2.2 RGB灯模块
RGB全彩LED灯在本系统中功能很多,通过采用P9813驱动我们便可以实现目标功能。

图2.3 RGB全彩LED灯模块原理图
P9813是一款应用十分广泛地采用 CMOS 工艺的LED 驱劢芯片,可以输出共256*256*256种颜色,传输距离相对较远。它主要是用来模拟灯光调色和相应配置动作完成时的提示,对于系统调试而言十分重要。
2.2.3 温湿度采集模块
家居生活中两项十分重要的指标便是温度和湿度了,为了检测家居环境参数,我们需要一个温湿度传感器来进行数据采集。DHT11传感器的湿度检测模块是一个具有感湿特性的电阻元件[13],当外界湿度变化时该元件内部的电阻值也会随之发生改变,再通过特有的设计电路进行转换便可以实现湿度测量的目标;温度测量和湿度测量的原理非常之相似,其主要差异在于内部的器件换成了热敏电阻。该传感器主要优势还在于其较小的尺寸和强悍的性能,即使在恶劣的环境下也能满足我们需要的精度。DHT11 的供电电压为4.2V左右。传感器刚开始工作时最好不要给它发送指令,因为它需要经过一个很短的缓冲时间方可进入稳定状态。同时为了使该模块更加稳定也就是达到去耦和滤波的效果,我们需要在电源引脚VDD,GND之间增加一个合适的去耦电容(一般我们选择100nF )。DHT11的引脚接线图如图2.4所示。

图2.4 温湿度传感器DHT11模块原理图
2.2.4模拟电动窗帘模块
为了模拟现场电动窗帘的打开和关闭操作,在电路板上设计了一台小型直流电机,通过芯片L9110驱动,使得我们可以控制直流电机的正反转。
表2.1 引脚图
序号 | 符号 | 功能 |
1 | OA | A路输出管脚 |
2 | VCC | 电源电压 |
3 | VCC | 电源电压 |
4 | OB | B路输出管脚 |
5 | GND | 地线 |
6 | IA | A路输入管脚 |
7 | IB | B路输入管脚 |
8 | GND | 地线 |
L9110是一种双通道推挽式功率放大器集成电路器件,高集成性,降低了外围设备的成本,双兼容的电平输入大大提高了整机的可靠性,两个输出端可直接驱动电机的正负运动,而且电流驱动能力突出,是用于控制和驱动各类电机的不二之选。如表2.1所示为L9110的引脚图,图2.5为驱动芯片接线图。

图2.5 L9110原理控制图
2.2.5 USB转串口模块

图2.6 USB转串口模块电路原理图
由于一般的电脑都不带串口功能,因此我们需要USB转串口模块电路来实现固件的下载以及系统电路的供电功能。
2.2.6 扩展接口模块
考虑到后续发展的需要,如果扩展传感器,可以使用下面的接口增加开发板功能,也可以自己定义io来实现自己的功能。

图2.7 扩展电路原理图
- 机智云物联网平台简介
3.1云平台概述
以上是毕业论文大纲或资料介绍,该课题完整毕业论文、开题报告、任务书、程序设计、图纸设计等资料请添加微信获取,微信号:bysjorg。
相关图片展示:









